CORona
Looplijnen !?!
.
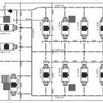
Degenen die het Corona Protocol van onze vereniging hebben gelezen, en dat heeft natuurlijk iedereen, zullen ook gezien hebben dat de tekeningen van de plattegrond van het speellokaal een lust voor het oog zijn, zeker voor diegenen die regelmatig te maken hebben met technische tekeningen.
Opmerkelijk vind ik dat alle schaakborden niet slechts schematisch zijn aangegeven. De schaakborden zijn in detail weergegeven: voorzien van de 64 velden, waarbij ook nog eens gezorgd is dat de beide witte hoekvelden rechts van de spelers liggen. De ontwerper van de plattegrond moet wel zeker een schaker zijn. Verder zijn alle relevante maten/afstanden in de tekeningen aangegeven.
Nu ik al twee clubavonden de club bezocht heb en voor me zie hoe de tafels ongeveer staan leest zo’n plattegrond ook gemakkelijker.
Belangrijk is natuurlijk de plaatsing van de tafels, maar ook de looplijnen, die nauwgezet in de plattegrond zijn weergegeven. vielen mij nu meer op. De looplijnen zijn de onderbroken lijnen die ook nog eens in de tekening met “looplijn” zijn aangegeven. Alles is voorzien van maat-aanduidingen.
Het idee van de looplijn zal zijn dat, indien de spelers aan hun bord zitten op de ingetekende plaatsen, een persoon lopend over de looplijn zich altijd minstens op 1,5 meter afstand van de schakers zal bevinden.
Een probleem kan ontstaan als twee of meer personen zich tegelijkertijd over de looplijnen bewegen. Twee personen die elkaar tegenkomen op een looplijn zullen elkaar niet kunnen passeren want zodra ze dit zouden doen komen ze óf te dicht bij elkaar én/óf te dicht bij de zittende schakers.
Dat betekent dat er met beleid langs de looplijnen gelopen zal moeten worden.
Het belangrijkste is, denk ik, dat de lopers (bedoelend de personen die lopen) over de looplijnen lopen en daarvan niet afwijken. Zouden ze wel afwijken dan zullen zij een zittende schaker te dicht naderen. En die schaker ziet dat niet want het gebeurt achter zijn rug. Dus dan ontstaat een situatie dat een persoon ongewild en ongemerkt wordt benaderd tot een afstand kleiner dan 1,5 meter. Dit moet te allen tijde vermeden worden.
Het blijkt dus dat het verkeer langs de looplijnen zijn eigen regels zal hebben.
De twee looplijnen langs de lange wanden lijken het meest geschikt om te gebruiken als men de stelling aan andere borden wil bekijken. Dat zijn dus de KIJK-LIJNEN.
Het is dan wel nodig dat zo’n looplijn-segment leeg is bij het betreden daarvan.
Maar het kan ook zijn dat iemand al vanaf het looplijn-segment partijen bekijkt. Dan kan je toch dat looplijn-segment oplopen onder voorwaarde dat je 1,5 meter afstand houdt, en, dat als de persoon terug komt lopen, dat je dan direct rechtsomkeert maakt en voor die persoon uitloopt om hem de gelegenheid te geven terug te gaan naar zijn bord.
Het wordt wat makkelijker als tafel 1 en/of 2 klaar zijn. Er zijn dan twee paden om een looplijn langs de lange wand te bereiken.
De centrale looplijn tussen de twee rijen van 5 tafels kan het beste vrijgehouden worden voor personen die zich naar de faciliteiten in het Triton willen begeven (bar, toilet, etc.).
Dit is dus de KOFFIEBIERWIJN-LIJN.
Let wel: ook op deze looplijn kan niet ingehaald of gepasseerd worden.
Naarmate de avond vordert en er partijen beëindigd zijn, zal er meer ruimte komen om te lopen en om naar stellingen aan andere borden te kijken. Aan het begin van de avond (eerste 1,5 uur) is het even afzien!
Eén en ander geldt natuurlijk ook voor de korte afstand looplijnen in de buurt van de kleine zaal.
Waarom is het belangrijk dat van de looplijnen juist gebruik wordt gemaakt?
1. Afstand houden is één der peilers van het in toom houden van het Corona-virus.
Vooralsnog neemt het aantal besmettingen toe. Kon ik in mijn vorige artikel aangeven dat de kans op de aanwezigheid van een besmette persoon op de clubavond ca. 4% was. Recent is die kans gestegen naar ca. 6% en de trend is dat die kans nog zal stijgen. (23/9/2020: met 600/100000 besmettelijken wordt de kans 9% (aanname: 50% van de besmettelijken, die syptomen hebben, blijft thuis))
2. Het is duidelijk dat er minder draagvlak is gekomen voor een strikte doorvoering van de Corona-werende maatregelen zoals de 1,5 m afstand. Daarom is het van belang dat een ieder, voornamelijk jegens een ander, zich zodanig beweegt dat de 1,5 m regel gehandhaafd wordt.
3. Bij een goede invulling van het protocol zal dat bij een ieder vertrouwen geven dat er het nodige aan gedaan wordt om gezond te kunnen blijven schaken. Men zal komen om te schaken op de clubavond. Zo niet, dan zullen sommigen het vertrouwen verliezen en afhaken.
Een snel bezoek aan de websites van 20 schaakclubs laat zien dat er nog weinig clubs zijn met een uitgebreid corona-protocol. Maar wel blijkt dat de meeste clubs zich bewust zijn dat er een regeling nodig is om aan de competitie te beginnen. Maar een link naar een compleet protocol kom je weinig tegen. Eén club vermeldt op haar website dat men 1,5 m afstand moet houden, maar dat die afstand niet geldt voor de twee spelers aan het schaakbord (de verandering van het KNSB protocol per 2 september j.l. is hopelijk wel overgekomen, is echter nog niet aangegeven op de website).
Een compliment voor het Bestuur van onze vereniging met het opzetten en publiceren van een actueel gedegen corona-protocol.
.
Schaken met het badlaken
.
Zowel in het KNSB Protocol Verantwoord Schaken (kenmerk 20-20) gedateerd 2 september 2020 als in de eerdere ongedateerde versie 20-20447 wordt aangegeven dat “uiteindelijk iedere individuele schaker een eigen afweging moet maken”.
Kortom u moet zelf de afweging en de keuze maken of en hoe u wilt schaken in Corona-tijd. Dit is zeker wel een redelijk standpunt, want voor welk van uw problemen dan ook dient u tenslotte zelf een oplossing te vinden (hopelijk geholpen door aanwijzingen van zeer verstandige stuurlui aan de wal).
De 1,5 meter
Over de noodzaak om de 1,5 meter in acht te nemen bestaat verschil van mening.
Mij lijken zeker drie maatregelen om besmetting te voorkomen relevant:
Maatregel 1: Blijf thuis als u symptomen van Corona heeft.
Heeft u die symptomen dan kunt u geïnfecteerd en besmettelijk zijn en kunt u het virus middels besmetting aan derden overdragen.
Maar het is niet onmogelijk dat een geïnfecteerd persoon geen symptomen heeft maar wel besmettelijk is, dus het virus kan verspreiden. Voor een grote groep (18.000) inwoners van IJsland is gevonden dat ongeveer 50% van Corona geïnfecteerden geen symptomen vertonen.
Dus onder deze maatregel 1 lopen er nog steeds geïnfecteerden rond, dikwijls zonder dat ze (inclusief wij zelf) weten dat ze Corona-geïnfecteerd zijn.
Maatregel 2: Het ontsmetten van uw handen en voorwerpen waarmee u in aanraking gaat komen.
Virussen kunnen enige tijd overleven op oppervlakken vooral als ze vlak zijn (metalen, plastics). Deze virussen kunnen afkomstig zijn van geïnfecteerden. Door deze virussen bij voorbaat onschadelijk te maken wordt infectie vermeden
Maatregel 3: 1,5 meter afstand houden.
Geïnfecteerden kunnen virussen verspreiden door praten of zingen, maar vooral door hoesten en niesen. De overdracht wordt gedacht plaats te vinden door kleine met het virus beladen druppeltjes die de geïnfecteerden verspreiden. Deze druppeltjes zullen onder invloed van de zwaartekracht vallen binnen een straal van 1,5 meter van de bron.
Dus houdt men meer als 1,5 meter afstand tot een persoon, dan zal overdracht van het virus, mocht die persoon besmettelijk zijn, niet plaatsvinden.
De discussie kan gaan over de vraag of alle drie maatregelen nog steeds nodig zijn of effectief zijn. Met name de 1,5 meter maatregel lijkt dikwijls niet meer in acht genomen te worden of het moet zijn dat mensen de 1,5 meter niet goed kunnen afschatten (ondanks dat overal, bijvoorbeeld op vloeren, de afstand van 1,5 meter is aangegeven).
Maar voor dit artikel is zo’n discussie niet zo relevant.
Het gaat erom dat iedere schaker zelf moet beslissen of je de situatie die je aantreft veilig genoeg voor jezelf vindt. En die beslissing hangt natuurlijk ook af van het gedrag van anderen in deze.
Mijn keuze is dat de situatie zo moet zijn dat de drie maatregelen zijn gerealiseerd in de omgeving van mijn schaakbord, maar het liefst natuurlijk in de hele zaal inclusief toeloop.
Besmettingskans
De kans op besmetting op een competitieavond is moeilijk in te schatten.
Eenvoudiger is de kans te schatten dat zich onder de schakers een geïnfecteerde schaker bevindt.
Uitgaande van getallen in het Corona Dashboard van 12 september 2020 is het resultaat als volgt:
Het Corona Dashboard geeft aan dat er momenteel ca. 250 besmettelijke personen per 100.000 inwoners zijn.
Ik ga ervan uit dat, als vuistregel, de helft daarvan duidelijke symptomen zal hebben en dus (alstublieft!!!!) thuis zal blijven.
De kans dat een persoon besmettelijk is zonder symptomen is dus 0,5 * (250/100000)=0,00125.
Overigens loop je dus zelf ook zo’n kans om geïnfecteerd zonder symptomen én besmettelijk de schaakclub te bezoeken. Houd dus 1,5 m afstand, ook achter het bord, want u wilt toch niet uw clubgenoten infecteren!!
Bij een competitieavond waarbij ca. 35 personen betrokken zijn is de kans dat er een besmettelijk persoon aanwezig is dus 35x zo groot ofwel 0,04 ofwel 4%.
Ik heb geen getallen kunnen vinden wat de kans is dat, bij een ontmoeting onder “het oude normaal” omstandigheden met een besmettelijke persoon, daadwerkelijk besmetting plaatsvindt. Wel dat bij een afstand van 1,5 meter die kans klein is, want daarom is die regel ingevoerd.
Dat duidt er allemaal wel op dat de 1,5 meter regel belangrijk is om te realiseren. Want 4% kans dat één der aanwezige schakers, nl. diens tegenstander, door besmetting in gevaar komt bij het niet in acht nemen van de 1,5 meter regel, is wel groot. Want wie zou er nog in een vliegtuig stappen als de kans dat het vliegtuig een ongeluk krijgt 4% is????? (Ik geef toe: hier is enige demagogie in het spel).
(Overigens is het wel zo in ons rekenvoorbeeld dat, als er één geïnfecteerde schaker aanwezig zou zijn, de kans dat je tegen hem zou moeten spelen 1:34 is.).
Bij de fotos: Ontspannen schakers op voldoende afstand.
De dubbele tafel met badlaken
Het gebruik van dubbele tafel met badlaken (en natuurlijk bord, schaakstukken en klok) is mij goed bevallen. Ik kon dan ook bogen op een tegenstander, Mark Grondsma, die ook geïnteresseerd was om ervaring op te doen met dit systeem en met wie een goede samenwerking mogelijk was om het schaakbord zijn reizen heen-en-weer te laten maken.
Het gebruik van een heen en weer gaand schaakbord tussen twee spelers, die op afstand zitten, is al bekend uit een video-clip die te vinden is op de website van de Schaakbond. De video toont dat het schaakbord door de speler, die net een zet heeft uitgevoerd, naar de tegenstander geduwd moet worden. Het schaakbord staat immers buiten handbereik van de aan zet zijnde speler. Door een langzaam-aan actie van de tegenstander kan die tegenstander extra seconden afsnoepen van zijn/haar tegenstander.
Een groot voordeel van het gebruik van een badlaken is dat, nadat een zet door de tegenstander is uitgevoerd, de dan aan zet zijnde speler zelf actie kan nemen om het schaakbord naar zich toe te halen. Hij is daarbij niet afhankelijk van zijn tegenstander..
Badlaken etiquette
In de bijgaande figuur wordt een schaakbord in de neutrale positie weergegeven. Het schaakbord staat dan midden tussen de spelers zodat beiden de positie op het schaakbord gelijkwaardig kunnen bekijken.
Trekt een speler, teneinde een zet te kunnen uitvoeren, het bord naar de speelpositie (zie figuur), dan heeft die speler een beter uitzicht op de stelling dan zijn tegenstander.
Teneinde gelijke kansen te scheppen dienen de spelers als volgt te werk te gaan (etiquette regel):
Een speler doet een zet op het bord.
Zijn tegenstander trekt het bord naar zich toe naar de neutrale positie zodat beide spelers de positie op het bord gelijkwaardig kunnen bekijken.
Indien de aanzet zijnde tegenstander zijn volgende zet heeft bepaald, trekt hij op zijn beurt dan pas het bord verder naar zich toe naar de speelpositie en doet de zet.
Waarop de eerste speler het bord terugtrekt naar de neutrale positie en zijn zet gaat overwegen.
Etc.
Nog iets over de afstanden
De maat van de tafels is 80 x 80 cm. Twee tafels naast elkaar zijn dus 160 cm diep en 80 cm breed.
Zie de figuur, één hoekje is 10 cm.
Een schaakbord is ca. 40 x 40 cm.
In de figuur zijn twee neuzen getekend die 5 cm over de rand naar binnen steken. De topjes van de neuzen zijn dan dus op ca. 1,5 m.
Waarom de neuzen? Naar ik begreep zal besmetting middels die befaamde druppeltje gebeuren door inhalatie door neus of mond of via depositie in de ogen. Dus een meer exacte definitie van de afstand tussen twee personen zou kunnen zijn de afstand tussen de punten van hun neus.
Dus als beide spelers rechtop aan de dubbele tafel zit zal voldaan zijn aan de eis van 1,5 meter afstand.
De armlengte zal variëren van persoon naar persoon. Ik mat dat mijn armlengte ca. 60 cm is: tot 60 cm kan ik met mijn hand schaakstukken manipuleren. Uit de figuur blijkt dat ik het bord tot op 20 cm van de rand naar me toe moet trekken opdat ik, zonder vooroverbuigen, overal op het bord een zet te kunnen doen.
Ter vergelijking heb ik de positie van een enkele tafel in de figuur ingetekend. Als de spelers, met één tafel met schaakbord in vaste neutrale positie, een zet moeten uitvoeren op het schaakbord onder inachtneming van de 1,5 meter, dan zullen die personen uitgerust moeten zijn met armen van ca. 100 cm lengte.
Hebben zij niet zulke armen dan zit er niets anders op dat zij een voldoend lange vleesvork meenemen om de zetten uit te voeren, zie het artikel CORONA-schaken.
Overigens mogen de spelers achter de enkele tafels zitten of liggen, zich voorover of achterover buigen of op welke andere manier zij maar willen: als ze maar op neusafstand van 1,5 meter blijven.
Diversen
-Let op als u aan tafel 1 zit zit vlak bij het raam. Het raam is geopend teneinde bij te dragen aan de ventilatie van de speelzaal. Houd daar rekening mee: het is er koeler en u zit op de tocht.
-Noteert u de zetten op een los velletje papier, neem dan een kartonnetje mee om eronder te leggen. Met het losse velletje direct op het badlaken gaat het noteren niet lukken.
-Zet de klok ook op het badlaken, dan heeft u de klok bij de hand als u uw zet uitvoert.
-Tip van Kees P. en Frank: rol het badlaken aan uw zijde op tot een rolletje. “Dat werkt fijn.”
Ter afronding: Het zal ook duidelijk zijn dat ik in de Keizer-competitie altijd zal vragen om een dubbele tafel en badlaken en een meewerkende tegenstander.
(Waar in deze publicatie hij of zijn wordt aangegeven dient dit gelezen te worden als hij/zij en zijn/haar.)
( Aanvulling 16/9/2020: ondertussen is het aantal besmettelijke personen opgelopen van 250 naar 368 personen per 100:000, zie Dashboard Coronavirus, de kans is dus ondertussen toegenomen met een factor 1,5))
.
Het Corona-protocol in de praktijk. Badlakenschaak succesvol.
.
Donderdag 10 september 2020 ging de Keizer-competitie van start.
32 spelers hadden zich aangemeld zodat er aan 16 borden gespeeld werd.
Zoals u bekend zal zijn confronteerde de KNSB veel clubs, o.a. onze club, op 4 september 2020 met de mededeling dat de spelers ook de 1,5 meter in acht dienen te nemen. Ons Bestuur heeft daar uitstekend op gereageerd. De avond kon, met enige vertraging wegens extra voorzieningen, vlotjes beginnen.
De tafels werden initieel per paar opgesteld. Omdat de tafelmaat 80 x 80 cm bedraagt betekende dat, dat bij plaatsnemen aan de korte zijden van het tafelpaar, de spelers, als ze rechtop zitten, minstens 1,5 meter uit elkaar zitten.
De vondst van het badlaken lijkt me een mooie innovatie.
Mijn ervaring na ongeveer 4 uur spelen is dat door middel van het badlaken het bord, in goed samenspel met mijn tegenstander, soepeltjes en snel heen en weer kon gaan om de zetten uit te kunnen voeren, waarbij de afstand van 1,5 zonder meer gehandhaafd kon worden. In de tijdnoodfase, die kort duurde, ging mijn tegenstander staan en kon de zetten uitvoeren op het stilstaande bord. De afstand van de spelers was toen, voor korte tijd kleiner als 1,5 meter, maar dat is geoorloofd onder het Corona-protocol.
Voor degenen die niet aanwezig waren wordt het wat duidelijker door de volgende foto te bekijken:
Voor zover ik van mijn plaats kon zien werden vier partijen gespeeld aan dubbele tafels met badlaken.
De andere 12 borden kozen ervoor om aan een enkele tafel te spelen waarbij twee tafels wel een badlaken gebruikten maar meer als tafelkleed.
Voor die borden gold dus dat men diende te zorgen de afstand tot elkaar 1,5 meter te houden. Dat moest dan door afstand tot de enkele tafel met schaakbord te nemen als de aan zet zijnde tegenstander zich bij het bord bevond om de stelling te bestuderen en/of zijn zet uit te voeren.
Al met al is het schaken met dubbele tafel en badlaken zonder meer toepasbaar. Zeker als er hiermee enige ervaring opgedaan is, kan er vlotjes op geschaakt worden.
Mijn aanbeveling is dan ook om te allen tijden te kiezen voor de dubbele tafel plus badlaken.
In een volgend artikel wil ik meer in detail ingaan op de dubbele tafel met badlaken.
.
Beter ten halve gekeerd dan ten hele gedwaald
.
Met schaken leer je ook nog eens de Nederlandse spreekwoorden, spreuken en zegswijzen te onderhouden.
Het spreekwoord weergegeven in de titel van dit stukje is van toepassing op onze Koninklijke Nederlandse Schaakbond (KNSB).
Wat is namelijke het geval:
Begin juli 2020 werd op de KNSB-site het Protocol Verantwoord Schaken gepubliceerd.
Tot mijn verbazing werd door de KNSB de corona-hoofdmaatregel, nl. de 1,5 meter, losgelaten tussen de twee schakende schakers aan een schaakbord.
In mijn publicatie Schaaktoernooi te Biel en corona-schaken werd op dat Protocol commentaar gegeven.
Maar het spreekwoord doet zijn werking: per aangepast Protocol gedateerd 2/9/2020, gepubliceerd op de website op 4/9/2020 en gemaild aan de schaakclubs per 7/9/2020 wordt door de KNSB teruggekomen op het verlaten van de 1,5 meter regel en wordt de 1,5 meter regel, ook voor schakende schakers, in ere hersteld.
Helaas kon ik de Jaarvergadering van onze club van 3 september 2020 niet bijwonen. Op die vergadering kwam het concept Protocol Verantwoord Sporten gedurende de Corona Crisis bij Schaakclub Purmerend, dat ongetwijfeld veel noeste arbeid van ons Bestuur heeft geëist, ter sprake. Er is, uiteraard, stevig over dat protocol gediscussieerd want het is tenslotte een protocol dat een grote invloed op de uitvoering van de schaakcompetitie zal hebben.
Achteraf was dit Concept Protocol al bij voorbaat gedoemd aanpassing te moeten ondergaan, door de herintroductie van de 1,5 meter, maar dat konden de aanwezigen nog niet bevroeden.
Daarom moet ons Bestuur, op de valreep, nogmaals noeste arbeid verrichten om de Keizer competitie van start te kunnen laten gaan.
Dit moeten wij in ons achterhoofd houden als we a.s. donderdag beginnen met de Keizer competitie waarbij wij allen onbekend terrein betreden.
Deze week heb ik me ook opgegeven voor het Schaken op de Dijk (Makrelen toernooi). Ook voor dit toernooi is er een protocol dat nu wel aangepast zal moeten worden. Ik ben benieuwd of de Volendammers eruit komen. Het is een rapid toernooi waarbij het normaal is dat in bijna elke partij wel een tijdnoodfase voor zal komen, maar dat moet nu gebeuren op 1,5 meter afstand. Wellicht dat hier de spatschermen van Volendam uitkomst geven.
Op de deelnemerslijst zag ik dat er ondertussen 8 Purmerenders, inclusief Hing Ting Lai, zijn die zich ingeschreven hebben voor dit toernooi. Laten we duimen dat het toernooi veilig doorgang zal kunnen vinden!!!
Ondertussen is een conclusie dat de KNSB een hoop reuring teweegbrengt hetgeen een geheel nieuw karakter aan het schaken geeft!!
.
Purmerend kiest voor badlakens
Nu we aan de vooravond staan van een nieuw verenigingsjaar wil ik graag namens het bestuur aangeven hoe we dit willen gaan verwezenlijken. Het heeft nogal wat hoofdbrekens gekost om te komen tot een veilig protocol, waarbij het verantwoord is om weer live in Triton te schaken. Op de ALV van donderdag 3 september kwam het bestuur met een concept-protocol, waarop geschoten mocht worden door de leden. Dat werd volop gedaan en daar kwamen ook goede voorstellen uit. Ondertussen heeft de KNSB al weer een aanpassing van het protocol doen uitgaan, waarbij het handhaven van de 1,5 afstand tussen de spelers, ook je directe tegenstander als maatstaf werd gepresenteerd. Daarnaast heeft Triton een aantal voorwaarden gesteld, waar we rekening moeten houden. Kort gezegd komt het erop neer, dat de ruimte in de grote zaal gecombineerd met de kleine zaal, beperkt wordt tot 30 spelers. Dat betekent waarschijnlijk, dat niet alle spelers in de grote zaal/kleine zaal terecht kunnen en een aantal spelers hun partij zullen spelen in andere beschikbare ruimtes binnen Triton.
Op grond van de 1,5 meter regel stelt het bestuur voor, om aan te geven of je als lid wenst te spelen met behulp van twee tafels en een badlaken of gewoon achter één tafel, waarbij de speler achterover leunen als hij/zij niet aan zet is. Bij de verplichte opgave om deel te nemen aan de volgende ronde dienen spelers aan te geven wat hun voorkeur verdient. Van tevoren wordt dan een indeling gemaakt, waarbij de als eerste genoemde spelers spelen aan tafel 1 enzovoorts. De plattegrond met de tafelnummers alsmede het complete protocol worden nog deze week aan de leden toegestuurd. Bij deelname teken je de presentielijst, waarbij je dan gelijk akkoord gaat met het protocol. Alleen op deze manier is het verantwoord om te spelen. Laten we hopen dat dit goed gaat en dat we op deze manier toch het clubgevoel weer terug krijgen!
Opgeven voor woensdagavond 19:00 uur! De indeling staat dan uiterlijk 21:00 uur op de site.
Overigens zal er ook voor de leden, die niet naar de club willen komen, een virtuele clubavond worden georganiseerd door Bert Jan Melchers. Deze competitie staat los van de Keizercompetitie en begint donderdag 10 september a.s. om 19:30 uur. Informatie van Bert Jan volgt.
Hopelijk tot ziens!
Namens het bestuur,
Kees Pruis, voorzitter en Corona-verantwoordelijke




